Jaa tuote
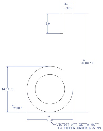
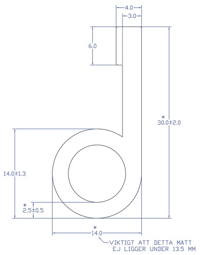
Tiiviste väestönsuojan oveen P-malli CR VSS



Väestönsuoja ovitiiviste solukumi Materiaali: Solukumi kloropreeni (CR) itsestään sammuva
- Tuotekoodi: 35060
- Heti omasta varastostaTuotteet lähetetään 1-3 arkipäivässä
- Toimituskulut alkaen 0,00 €Nouto myymälästä0,00 €
m
Väestönsuoja ovitiiviste solukumi
Materiaali: Solukumi kloropreeni (CR) itsestään sammuva
Materiaali: Solukumi kloropreeni (CR) itsestään sammuva
Myymälä
Saatavuus
Osoite
Yhteystiedot ja aukioloajat
Nouto myymälästä
0,00 €
Rahti, laskutusasiakas
0,00 €
Rahti, maksu oston yhteydessä
25,10 €